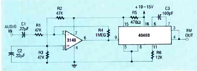
Usando um PLL 4046 encontramos este circuito na revista Radio Electronics de dezembro de 1989. O circuito opera em 220 kHz mas esta frequência pode ser alterada pela troca de C3.

Usando um PLL 4046 encontramos este circuito na revista Radio Electronics de dezembro de 1989. O circuito opera em 220 kHz mas esta frequência pode ser alterada pela troca de C3.
