Pesquisar
Pesquisar
Principal
Aprendendo Online
Automação
Bancada de Reparação
Circuitos
Dicas
Livros Técnicos
Novidades
Projetos e Artigos
Revistas
mais ...
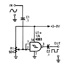
Conversor senoidal quadrado 4093 CIR26287S CB26335E (CIR27296)
Detalhes
Escrito por:
Newton C. Braga
Encontrado numa Popular Electronics dos anos 90, este circuito opera até uns 5 MHz de entrada.
Últimas Notícias
A Próxima Fronteira: O Salto Quântico da Inovação Brasileira que Quer "Hackear" as Leis da Física (NS010)
Além da Terra: A tecnologia da USP que monitorou o bem-estar dos astronautas em missão à Lua (NS009)
Memória de Cristal: A tecnologia que vai eternizar o mundo em vidro (NS008)
Última Edição
Buscador de Datasheets
N° de Componente
NO YOUTUBE
NOSSO PODCAST
Recentes
Revista Mecatrônica Jovem - Edição 26 - Música
A Próxima Fronteira: O Salto Quântico da Inovação Brasileira que Quer "Hackear" as Leis da Física (NS010)
Relé ativado por som V2347S (V2885)
Teste de flyback V2290S (V2832)
Banco de Circuitos
Milivoltímetro DC CIR15333S CB8213E (CIR18303)
Ponte de Wheatstone com áudio CIR25888S CB25890E (CIR26845)
Laserscópio CIR26080S CB26115E (CIR27053)
Monitor de tensão Bargraph CIR24560S CB24607E (CIR25088)
FI de 50 KHz CIR22842S CB22243E (CIR21942)