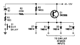
Este circuito proporciona um retardo para a ativação de um alarme dando tempo para que o proprietário deixe o local. O circuito é de uma Enciclopédia de Circuitos Eletrônicos Volume 5 de 1995.

Este circuito proporciona um retardo para a ativação de um alarme dando tempo para que o proprietário deixe o local. O circuito é de uma Enciclopédia de Circuitos Eletrônicos Volume 5 de 1995.
