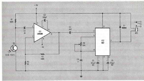
Este circuito é o receptor para o transmissor do projeto anterior. Também o encontramos na revista Radio Electronics Experimenter edição de 1989.

Este circuito é o receptor para o transmissor do projeto anterior. Também o encontramos na revista Radio Electronics Experimenter edição de 1989.
