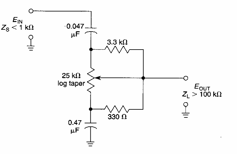
Este circuito passivo foi encontrado numa documentação americana antiga. Ele pode ser agregado a qualquer entrada de amplificador tendo perdas de 20 dB.

 


| Clique na imagem para ampliar |

 

 

 

NO YOUTUBE


NOSSO PODCAST