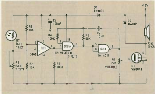
Usando o circuito integrado CA3140, esta chave foi encontrada na revista Radio Electronics de junho de 1986. O ajuste de sensibilidade e feito no trimpot em série com o sensor.

Usando o circuito integrado CA3140, esta chave foi encontrada na revista Radio Electronics de junho de 1986. O ajuste de sensibilidade e feito no trimpot em série com o sensor.
