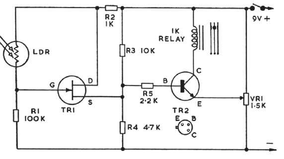
Usando como base um JFET, este sensível relé de luz foi encontrado numa documentação inglesa antiga. A tensão de alimentação entre 6 e 12 V deve ser de acordo com o relé utilizado.

Usando como base um JFET, este sensível relé de luz foi encontrado numa documentação inglesa antiga. A tensão de alimentação entre 6 e 12 V deve ser de acordo com o relé utilizado.
