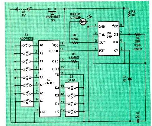
Este circuito de 4 canais antigo foi encontrado na revista Electronics Now de dezembro de 1994. O circuito usa como modulado0r um 556. Obsrve a chave de programação do código.

Este circuito de 4 canais antigo foi encontrado na revista Electronics Now de dezembro de 1994. O circuito usa como modulado0r um 556. Obsrve a chave de programação do código.
