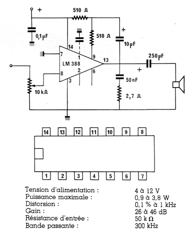
O circuito tradicional foi retirado de uma revista francesa Radio Plans que não mais existe, mas pode ser ainda montado pois o CI ainda pode ser encontrado, se bem que com alguma dificuldade. A potência depende da tensão de alimentação e da carga.

O circuito tradicional foi retirado de uma revista francesa Radio Plans que não mais existe, mas pode ser ainda montado pois o CI ainda pode ser encontrado, se bem que com alguma dificuldade. A potência depende da tensão de alimentação e da carga.
