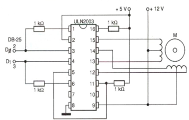
Este circuito consiste em uma variação do anterior, com a diferença de que temos apenas duas entradas usadas. Assim, as bobinas são energizadas com a seguinte sequência de comandos de entrada que podem vir direta- mente da porta paralela de um PC ou de lógica digital TTL (ou CMOS).

Neste caso, a corrente máxima que o circuito integrado ULN2003 pode fornecer é de 500 mA por enrolamento. Veja que aqui temos uma fonte de alimentação dupla que deve ter 5 V para a lógica interna e 12 V para a alimentação do motor. É importante observar que o terra do Cl no pino 8 deve ser comum ao PC ou circuito de acionamento digital, e também aos circuitos de 12 V e 5 V.
















