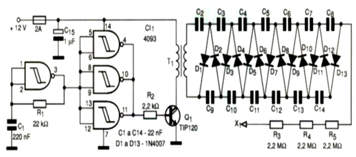
Está comprovado que a presença de íons negativos no ar de um ambiente tem efeitos benéficos sobre as pessoas que possuam problemas respiratórios, alergias ou até mesmo sofram de dores reumáticas, ou provocadas por queimaduras. O circuito que vemos na figura gera uma boa quantidade de íons negativos, que se espalham no ambiente. A alimentação de 12 V possibilita sua utilização tanto no lar com fonte de alimentação, quanto no carro, alimentado pela sua bateria. O circuito consiste em um inversor que eleva inicialmente os 12 V de uma bateria ou fonte de baixa tensão para algo em torno de 200 a 500 V, dependendo do transformador usado. Essa tensão é aplicada a um multiplicador de tensão que, conforme o número de estágios, irá elevá-la para um valor negativo entre - 2000 e - 5000 volts. Essa tensão é aplicada a um eletrodo que nada mais é do que um alfinete comum. Pelo efeito das pontas, a carga estática gerada eletriza o ar e é expulsa, agregando-se assim ao ar ambiente. Dessa forma, o ar ambiente ficará cheio de íons negativos que, uma vez aspirados, causam bem-estar nas pessoas, aliviando principalmente crises alérgicas. Para comprovar o funcionamento do aparelho, basta aproximar do eletrodo uma lâmpada néon (sem tocar). Ela deverá acender pelo efeito da alta tensão. O transformador pode ter primário de 110 V ou 220 V, e o secundário de 12 V com corrente entre 200 e 500 mA. O transistor deve ser montado em um dissipador de calor. Observamos ainda que a quantidade de etapas do multiplicador de tensão pode ser alterada para gerar maior ou menor quantidade de íons negativos.
















