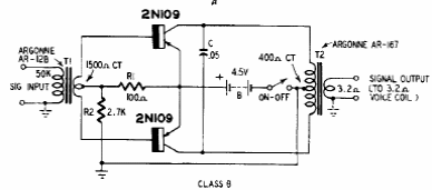
Encontramos este circuito numa publicação americana dos anos 50. Os transistores são de germânio e a potência baixa, menor que 1 W.

Encontramos este circuito numa publicação americana dos anos 50. Os transistores são de germânio e a potência baixa, menor que 1 W.
