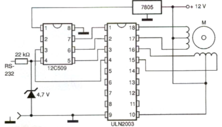
O circuito exibido na figura possibilita o controle de um motor de passo pela porta serial de um PC (RS-232). Nesta aplicação temos a utilização do circuito integrado ULN2803 para o controle de potência com a capacidade de fornecer correntes de até 500 mA ao motor controlado. O circuito integrado 7805 reduz a tensão de 12 V da alimentação do motor para os 4 V necessários à lógica formada pelo circuito integrado 12C509. O diodo zener de 4V7 x 400 mW serve como filtro para desviar eventuais pulsos de maior tensão que estejam na linha de dados e possam causar problemas de funcionamento ao circuito.
















