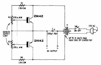
Esta interessante fonte ajustável usa os próprios transistores como controladores e como retificadores. O circuito é dos anos 60, e os transistores são da época.

Esta interessante fonte ajustável usa os próprios transistores como controladores e como retificadores. O circuito é dos anos 60, e os transistores são da época.
