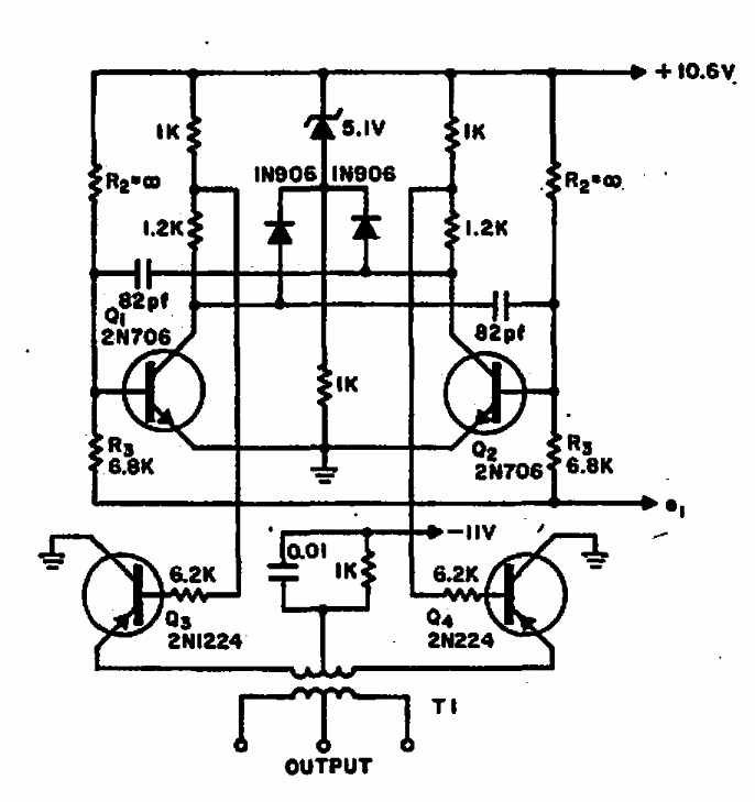
Este circuito foi obtido numa Electronic Design de 1964. Os transistores admitem equivalentes modernos e a faixa de frequências geradas pode ser alterada.

 


| Clique na imagem para ampliar |

 

 

 

NO YOUTUBE


NOSSO PODCAST