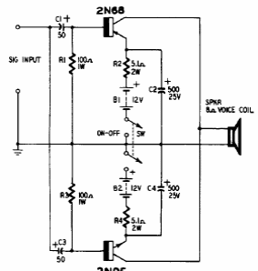
Encontramos esta etapa numa documentação antiga. Os transistores são da época e a fonte de alimentação simétrica.

 


 

 

 

 

NO YOUTUBE


NOSSO PODCAST