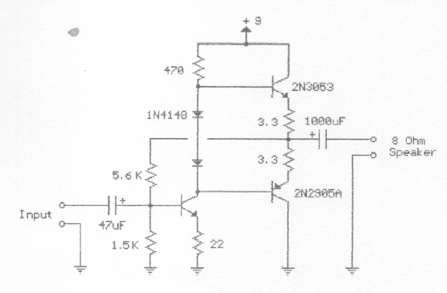
Este amplificador transistorizado de baixa potência foi encontrado numa documentação dos anos 90. O circuito usa transistores de uso geral da época podendo ser substituído pelos BC558 (PNP ou BC548 (NPN). A corrente drenada é da 30 mA.

Este amplificador transistorizado de baixa potência foi encontrado numa documentação dos anos 90. O circuito usa transistores de uso geral da época podendo ser substituído pelos BC558 (PNP ou BC548 (NPN). A corrente drenada é da 30 mA.
