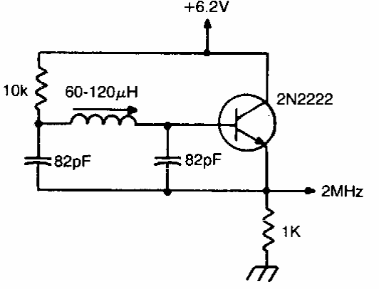
Este circuito emprega uma bobina miniatura da época. Encontramos em documentação dos anos 80. O circuito pode ser implementado com outros tipos de bobinas para outras faixas de frequências.

Este circuito emprega uma bobina miniatura da época. Encontramos em documentação dos anos 80. O circuito pode ser implementado com outros tipos de bobinas para outras faixas de frequências.
