Preamplificador para guitarra CIR22748S CB22146E (CIR21844)
Detalhes
Escrito por: Newton C. Braga
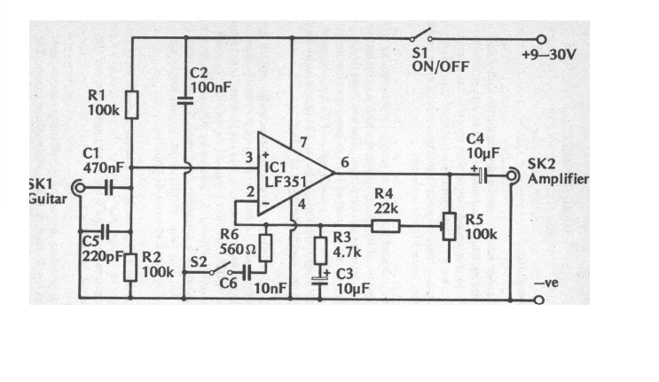
Encontrado numa publicação inglesa de 1989, este circuito utiliza um amplificador operacional ainda comum. A fonte de alimentação não precisa ser simétrica.