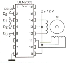
O circuito, ilustrado na figura consiste na aplicação direta do ULN2003 em que temos 4 entra das diretas para os buffers do circuito integrado. Nesta aplicação as entradas podem ser obtidas de lógica digital TTL ou CMOS, ou diretamente da porta paralela de um PC. Cada enrolamento do motor de passo é energizado quando a entrada corresponde é levada ao nível alto. Assim, no software que será utilizado deve-se prever tanto o tempo de acionamento de cada saída quanto sua sequência, ou ainda posição para a aplicação desejada. Observe que há uma alimentação independente de 12 V para o motor de passo, que operará com uma corrente máxima de 500 mA. No diagrama temos as cores dos fios com a identificação para um motor de passo convencional.
















