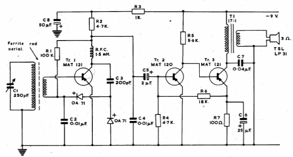
Encontrado numa documentação de 1963, este circuito emprega transistores de germânio da época. O transformador e a bobina também são tipos comuns da época.

Encontrado numa documentação de 1963, este circuito emprega transistores de germânio da época. O transformador e a bobina também são tipos comuns da época.
