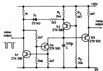
Encontrado no manual de transistores da Ferranti de 1974, este circuito é uma versão auto-oscilante do anterior. Os transistores são tipos comuns na época.

Encontrado no manual de transistores da Ferranti de 1974, este circuito é uma versão auto-oscilante do anterior. Os transistores são tipos comuns na época.
