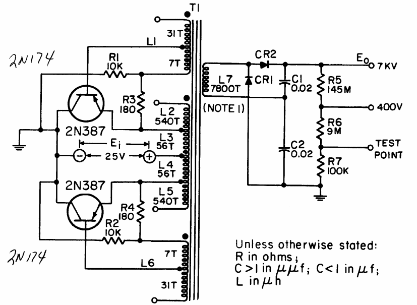
Este inversor transistorizado para alimentação de tubos de raios catódicos foi encontrado num manual da marinha dos Estados Unidos. Transistores equivalentes podem ser usados.

 


| Clique na imagem para ampliar |

 

 

 

NO YOUTUBE


NOSSO PODCAST