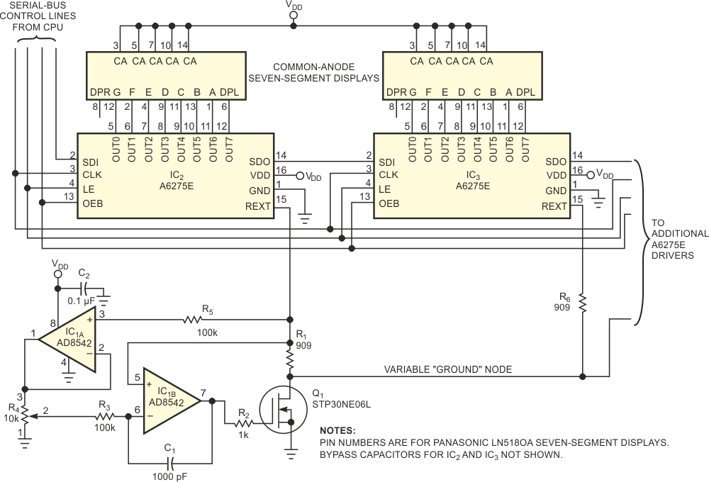
Com base no A6275 da Allegro, este circuito controla o brilho de diversos displays. O circuito é válido para displays de 7 segmentos de anodo comum.

 


| Clique na imagem para ampliar |

 

 

 

NO YOUTUBE


NOSSO PODCAST