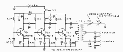
Este circuito combina diversos geradores de ruído branco para teste de equipamentos de transmissão. O circuito é de uma documentação de 1977.

Este circuito combina diversos geradores de ruído branco para teste de equipamentos de transmissão. O circuito é de uma documentação de 1977.
