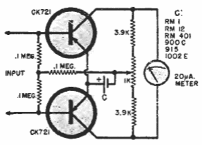
Este circuito para instrumentos analógicos foi encontrado numa documentação da Raytheon dos anos 60. Os transistores são tipos de germânio da época.

Este circuito para instrumentos analógicos foi encontrado numa documentação da Raytheon dos anos 60. Os transistores são tipos de germânio da época.
