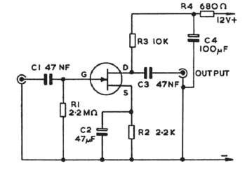
Este preamplificador foi encontrado numa publicação inglesa antiga. Qualquer JFET de uso pode ser empegado. A saída é de alta impedância.

Este preamplificador foi encontrado numa publicação inglesa antiga. Qualquer JFET de uso pode ser empegado. A saída é de alta impedância.
