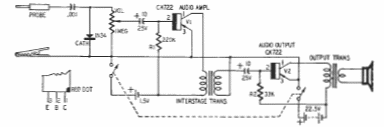
Este seguidor de sinais foi obtido num manual da Raytheon dos anos 60. O transistor é de germânio e os transformadores são tipos comuns na época.

Este seguidor de sinais foi obtido num manual da Raytheon dos anos 60. O transistor é de germânio e os transformadores são tipos comuns na época.
