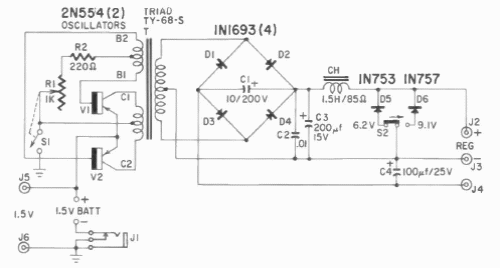
Esta fonte de alimentação, que na verdade é um pequeno inversor funciona com uma única pilha grande de 1,5 V fornecendo saídas de 6 e 9 V. O circuito é de uma documentação de Gernsback de 1960.

Esta fonte de alimentação, que na verdade é um pequeno inversor funciona com uma única pilha grande de 1,5 V fornecendo saídas de 6 e 9 V. O circuito é de uma documentação de Gernsback de 1960.
