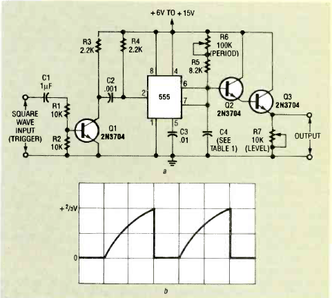
Esta interessante aplicação num circuito que pode ser usado em sincronismo foi encontrada na revista Radio Electronics de dezembro de 1992. Os calores dos capacitores podem ser adaptados às necessidades de frequência.

Esta interessante aplicação num circuito que pode ser usado em sincronismo foi encontrada na revista Radio Electronics de dezembro de 1992. Os calores dos capacitores podem ser adaptados às necessidades de frequência.
