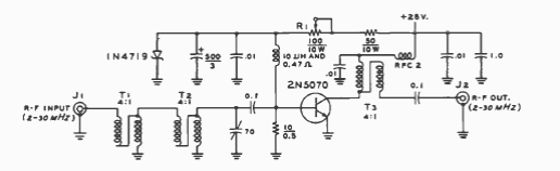
Este circuito foi encontrado num Radio Handbook de 1977. O componente crítico é o transformador T1 que deve ser enrolado em núcleo toroidal de ferrite.

Este circuito foi encontrado num Radio Handbook de 1977. O componente crítico é o transformador T1 que deve ser enrolado em núcleo toroidal de ferrite.
