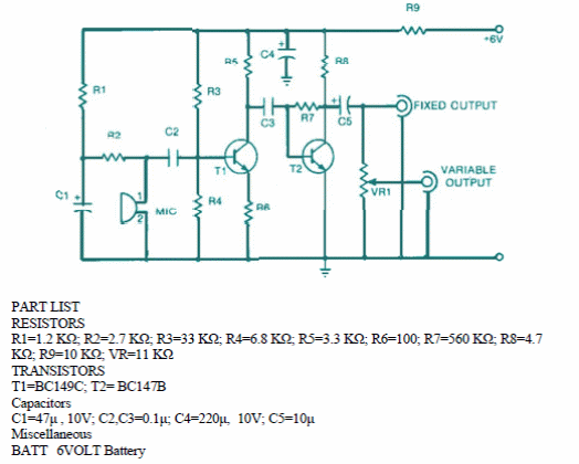
Este circuito preamplificador foi encontrado numa documentação inglesa. Os transistores são de uso geral, como os BC549 equivalentes mais modernos em relação aos indicados.

Este circuito preamplificador foi encontrado numa documentação inglesa. Os transistores são de uso geral, como os BC549 equivalentes mais modernos em relação aos indicados.
