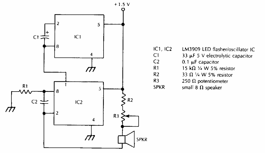
Este circuito imita o trinado de um pássaro. Encontramos numa documentação americana dos anos 90. Ele se baseia nos circuitos integrados LM3909.

 


| Clique na imagem para ampliar |

 

 

NO YOUTUBE


NOSSO PODCAST