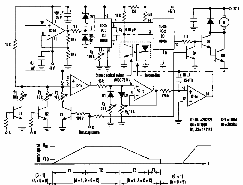
Este controle de velocidade de precisão foi obtido numa Electronic Design dos anos 90. Os transistores de potência da etapa final de saída devem ser de acordo com a potência do motor.
Este controle de velocidade de precisão foi obtido numa Electronic Design dos anos 90. Os transistores de potência da etapa final de saída devem ser de acordo com a potência do motor.