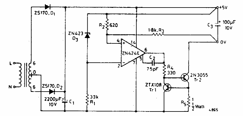
Encontrada numa documentação antiga, esta fonte usa um circuito integrado da época, pouco comum em nossos dias. A fonte tem ripple menor que 1 mV.

 


| Clique na imagem para ampliar |

 

 

 

NO YOUTUBE


NOSSO PODCAST