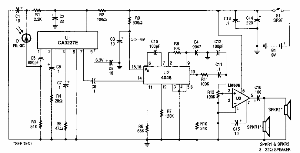
Este circuito é de uma Popular Electronics dos anos 90. O amplificador de áudio admite equivalente. Os demais integrados não são muito comuns atualmente.

 


| Clique na imagem para ampliar |

 

 

NO YOUTUBE


NOSSO PODCAST