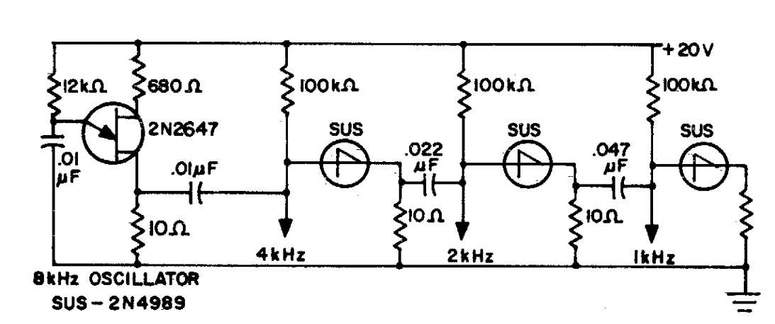
Encontrado numa documentação antiga, este circuito funciona como um divisor de baixa frequência para sinais produzidos por um transistor unijunção.

 


| Clique na imagem para ampliar |

 

 

 

NO YOUTUBE


NOSSO PODCAST