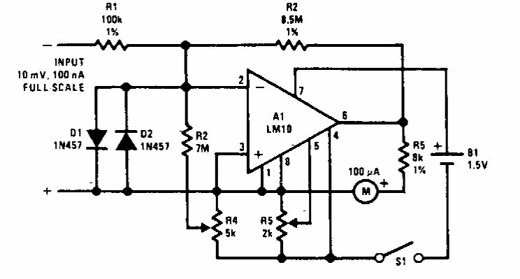
Este amplificador para instrumentação com alimentação de 1,5 V foi encontrado em documentação da National Semiconductor dos anos 90.