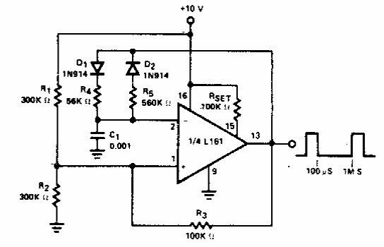
Este circuito foi encontrado numa documentação dos anos 80. O amplificador operacional admite equivalente. A fonte de alimentação depende do operacional usado.

Este circuito foi encontrado numa documentação dos anos 80. O amplificador operacional admite equivalente. A fonte de alimentação depende do operacional usado.
