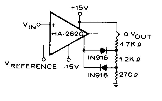
Este é um circuito comparador de tensão básico com operacionais. O circuito tem as tensões determinadas pela rede resistiva. O operacional é tipo especial da época. Encontramos em documentação dos anos 80.

Este é um circuito comparador de tensão básico com operacionais. O circuito tem as tensões determinadas pela rede resistiva. O operacional é tipo especial da época. Encontramos em documentação dos anos 80.
