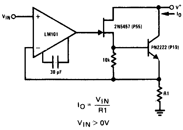
Este circuito foi obtido numa documentação americana antiga. O operacional é da época e a corrente drenada depende de R1 calculado pela fórmula junto ao diagrama.

Este circuito foi obtido numa documentação americana antiga. O operacional é da época e a corrente drenada depende de R1 calculado pela fórmula junto ao diagrama.
