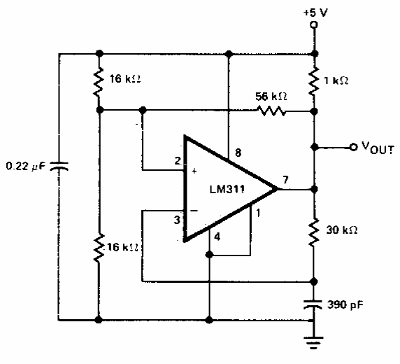
Encontrada em antiga documentação americana, este circuito pode ser implementado com operacionais modernos. A fonte não precisa ser simétrica. O circuito funciona como shield.

Encontrada em antiga documentação americana, este circuito pode ser implementado com operacionais modernos. A fonte não precisa ser simétrica. O circuito funciona como shield.
