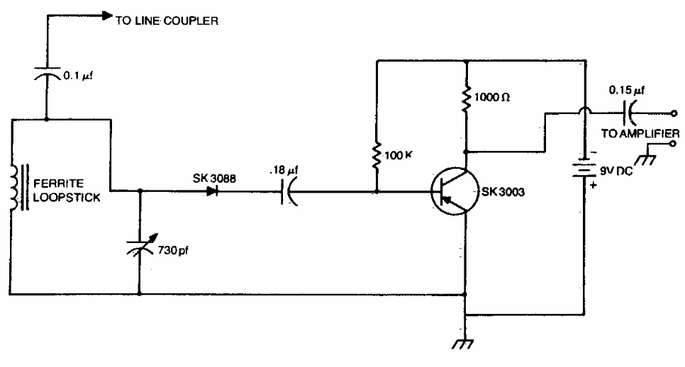
Este circuito pode funcionar como receptor para o transmissor do circuito anterior. Encontramos numa documentação americana. A bobina deve ter aproximadamente 200 espiras de fio para uma operação em torno de 100 kHz.
Este circuito pode funcionar como receptor para o transmissor do circuito anterior. Encontramos numa documentação americana. A bobina deve ter aproximadamente 200 espiras de fio para uma operação em torno de 100 kHz.