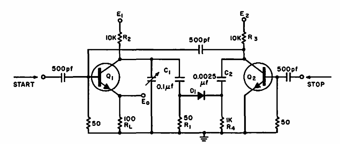
Encontrado numa Electronic Design de 1964, este circuito gera pulsos tendo por base um diodo de avalanche da época. O circuito pode ser testado com componentes equivalentes modernos.
Encontrado numa Electronic Design de 1964, este circuito gera pulsos tendo por base um diodo de avalanche da época. O circuito pode ser testado com componentes equivalentes modernos.