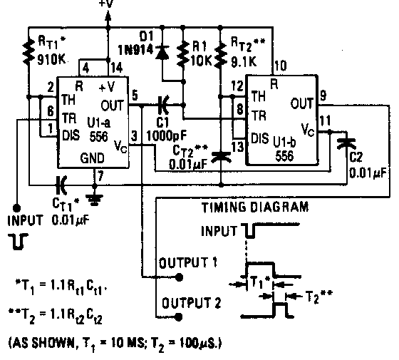
Encontramos este circuito numa Hands On Electronics dos anos 90. O retardo é dado pelas fórmulas junto ao diagrama.