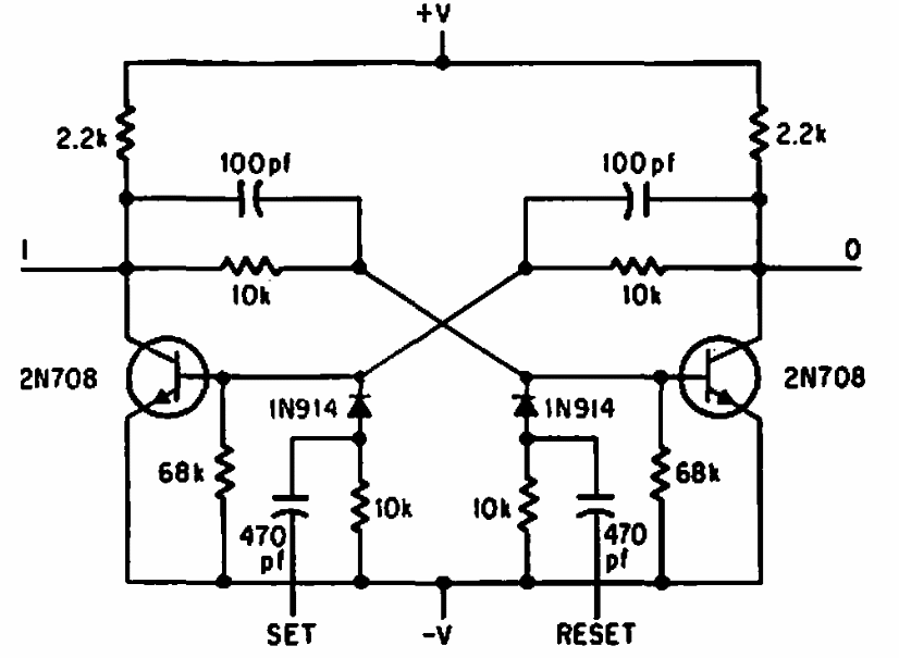
Este circuito foi encontrado numa documentação americana de 1969. Com componentes modernos, pode ser usado como um shield.

 


| Clique na imagem para ampliar |

 

 

NO YOUTUBE


NOSSO PODCAST