Oscilador de 60 a 1000 Hz CIR16334S CB9252E (CIR19308)
Detalhes
Escrito por: Newton C. Braga
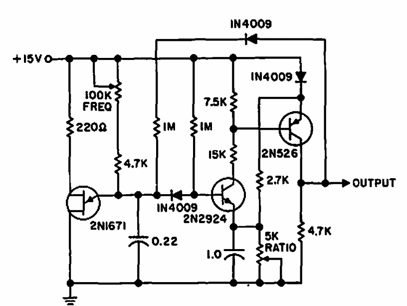
Com controle de frequência e ciclo ativo, este circuito foi encontrado em documentação da General Electric dos anos 60. O circuito admite componentes equivalentes.