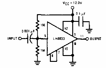
Encontramos este circuito numa publicação da National Semiconductor dos anos 90. O circuito tem uma impedância de entrada de 500k e não precisa de fonte simétrica.

Encontramos este circuito numa publicação da National Semiconductor dos anos 90. O circuito tem uma impedância de entrada de 500k e não precisa de fonte simétrica.
