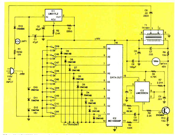
Este circuito saiu numa Electronics Noe de junho de 1995. Ele emprega um codificador da época para 10 canais.