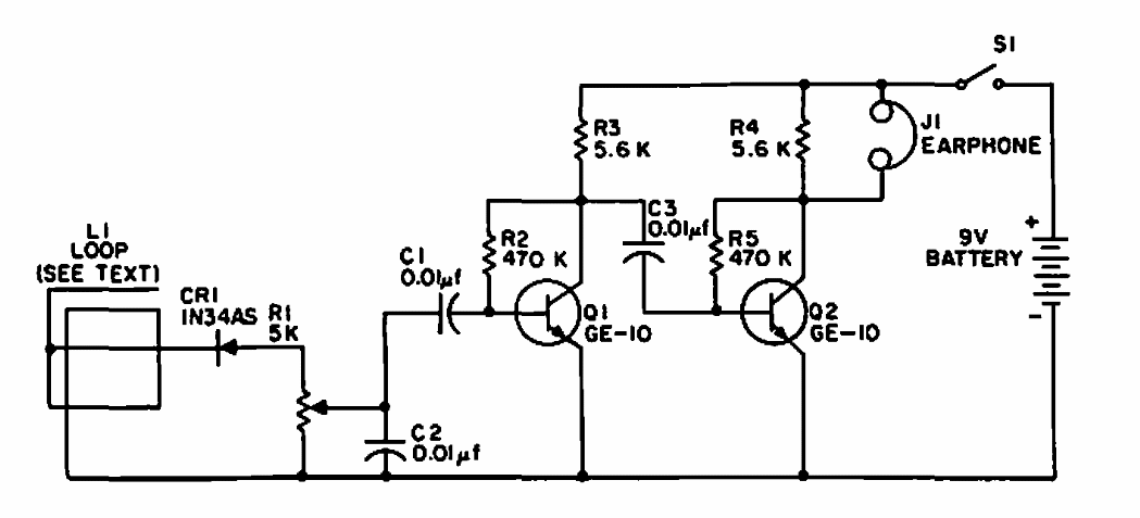
Este circuito foi encontrado em documentação da General Electric de 1965. Ele se destina a recepção da faixa de aviação, mas dentro de uma aeronave ou nas proximidades (o que hoje em dia é proibido).
Este circuito foi encontrado em documentação da General Electric de 1965. Ele se destina a recepção da faixa de aviação, mas dentro de uma aeronave ou nas proximidades (o que hoje em dia é proibido).